首頁
關(guan)于我們(men)
産品展(zhan)示
新聞(wen)資訊
公(gong)司新聞(wen)
行業新(xin)聞
信息(xi)公示
招(zhao)賢納士(shì)
聯系我(wǒ)們
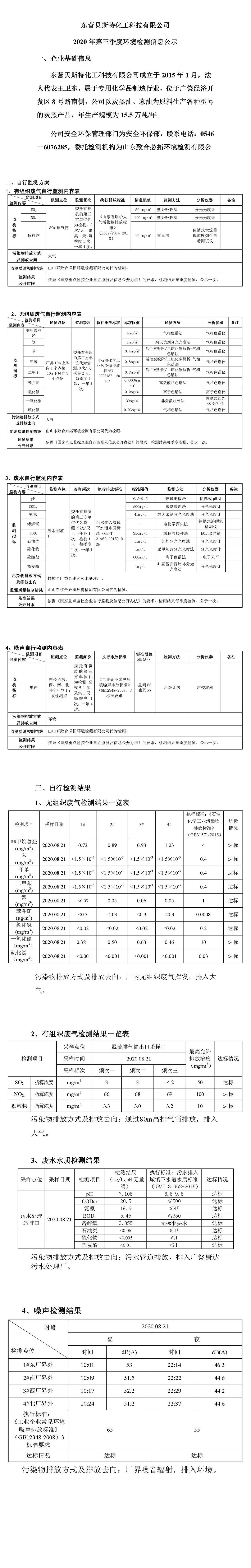
2020年第(dì)三季度(dù)環境公(gōng)示
2025-12-21
上一(yi)篇:土壤(rang)信息公(gong)示
下一(yi)篇:公司(sī)年産2萬(wàn)噸特種(zhong)工業炭(tan)黑項目(mù)環境影(yǐng)響評㊙️價(jià)第一次(cì)公示
总 公 司(si)
急 速 版(ban)
WAP 站
H5 版
无(wu)线端
AI 智(zhi)能
3G 站
4G 站(zhàn)
5G 站
6G 站